

|
Số pin số |
Mnemon |
Sự miêu tả |
|
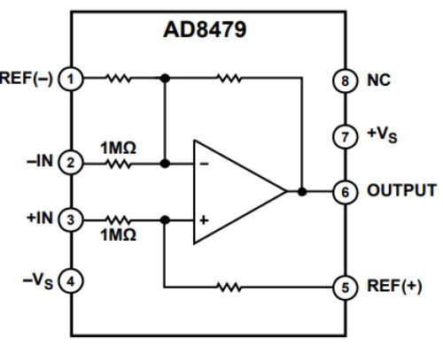
1 |
Ref ( -) |
Đầu vào điện áp tham chiếu âm. |
|
2 |
. Trong |
Đảo ngược đầu vào. |
|
3 |
+Vào |
Đầu vào không đảo ngược. |
|
4 |
−v_S |
Điện áp cung cấp âm. |
|
5 |
Ref (+) |
Đầu vào điện áp tham chiếu tích cực. |
|
6 |
Đầu ra |
Đầu ra. |
|
7 |
+V_s |
Điện áp cung cấp tích cực. |
|
8 |
NC |
Không kết nối.Không kết nối với pin này. |

Các AD8479 Bộ khuếch đại khác biệt là đáng chú ý với độ lão luyện của nó trong việc quản lý điện áp chế độ chung đầu vào cao, đạt tới ± 600 V. Khả năng này làm cho nó phù hợp với các phép đo chính xác trong đó độ chính xác được yêu cầu ngay cả khi có điện áp chế độ chung lớn.Thiết kế của nó đảm bảo khả năng chống lại các ion V ariat không mong muốn, thúc đẩy môi trường đo đáng tin cậy.
• Bộ khuếch đại chênh lệch chính xác AD8479 có phạm vi điện áp chế độ chung ± 600 V, đầu ra từ đường ray đến đường ray và mức tăng cố định là 1.
• Nó hoạt động trong phạm vi cung cấp điện rộng từ ± 2,5 V đến ± 18 V, với dòng điện thông thường là 550 A.
• Bộ khuếch đại cung cấp các thông số kỹ thuật AC tuyệt vời, bao gồm tỷ lệ từ chối chế độ chung tối thiểu (CMRR) là 90 dB và băng thông 310 kHz.
• Ngoài ra, nó tự hào có độ chính xác cao trong hiệu suất DC, với mức tăng tối đa là 5 ppm, độ trôi điện áp bù không quá 10 μV/° C và độ trôi tối đa là 5 ppm/° C.
Trong các tình huống mà sự cô lập điện không phải là một mối quan tâm, AD8479 đưa ra một lựa chọn kinh tế thay cho các bộ khuếch đại cách ly tốn kém.Bằng cách tập trung vào các chức năng, thiết kế của nó giữ chi phí thành phần trong kiểm tra.
Thiết bị điều hướng một phổ rộng của điện áp chế độ chung, cung cấp tính linh hoạt trên các ứng dụng đòi hỏi khắt khe khác nhau.Cung cấp bảo vệ thoáng qua lên đến ± 600 V, nó hỗ trợ an toàn và độ tin cậy hoạt động trong môi trường dễ bị biến động điện áp.
AD8479 tự hào có các tính năng như điện áp bù thấp và độ trôi tối thiểu, đảm bảo hiệu suất chính xác và ổn định.Tỷ lệ từ chối chế độ chung (CMRR) đáng kể của nó trên dải tần số rộng làm tăng độ tin cậy của nó.Chúng tôi đánh giá cao những đặc điểm này khi các hệ thống kỹ thuật đòi hỏi các phép đo ổn định và chính xác trong các điều kiện khác nhau.
Được đóng gói trong gói SOIC 8-LEAD nhỏ gọn, AD8479 nổi bật với thiết kế hiệu quả của nó, hoạt động liền mạch trên nhiệt độ từ −40 ° C đến +125 ° C.Tính linh hoạt này chứng tỏ lợi thế trong các lĩnh vực nơi các thiết bị phải đối mặt với nhiệt độ nghiêm trọng và thay đổi, phổ biến trong việc giám sát và thu thập dữ liệu các công cụ hiện trường.
Thiết bị tương tự Inc. cung cấp AD8479arz, Một bộ khuếch đại thiết bị minh họa độ chính xác với một loạt các tính năng kỹ thuật được chế tạo tỉ mỉ.Các thuộc tính này được quản lý để cung cấp một sự pha trộn hài hòa của hiệu suất nâng cao và độ tin cậy đặc biệt.Dưới đây là các thông số kỹ thuật, thuộc tính và tham số Thiết bị tương tự Inc. Ad8479arz.
|
Kiểu |
Tham số |
|
Tình trạng vòng đời |
Sản xuất (Cập nhật lần cuối: 1 tuần trước) |
|
Liên hệ mạ |
Thiếc |
|
Loại gắn kết |
Núi bề mặt |
|
Số lượng ghim |
8 |
|
Nhiệt độ hoạt động |
-40 ° C ~ 125 ° C. |
|
Mã JESD-609 |
E3 |
|
Trạng thái một phần |
Tích cực |
|
Số lượng chấm dứt |
8 |
|
Mẫu đầu cuối |
Cánh Gull |
|
Số lượng chức năng |
1 |
|
Thời gian@Đỉnh phản xạ nhiệt độ-Max (S) |
30 |
|
Số pin |
8 |
|
Điện áp cung cấp vận hành |
36V |
|
IC tương tự - loại khác |
Mạch tương tự |
|
Cung cấp danh nghĩa hiện tại |
550 Pha |
|
Max cung cấp hiện tại |
650 |
|
Loại khuếch đại |
Mục đích chung |
|
Điện áp đầu vào tối đa |
600V |
|
Đầu ra hiện tại trên mỗi kênh |
55mA |
|
Đạt được sản phẩm băng thông |
130 kHz |
|
Tỷ lệ từ chối nguồn điện (PSRR) |
90db |
|
Nhiệt độ điểm số tối đa (TJ) |
150 ° C. |
|
Chiều cao |
1,75mm |
|
Chiều rộng |
4mm |
|
Bức xạ cứng |
KHÔNG |
|
Dẫn đầu miễn phí |
Chứa chì |
|
Thời gian dẫn đầu của nhà máy |
8 tuần |
|
Gắn kết |
Núi bề mặt |
|
Gói / trường hợp |
8-SOIC (0.154, chiều rộng 3,90mm) |
|
Số lượng các yếu tố |
1 |
|
Bao bì |
Ống |
|
Mã PBFREE |
E3 |
|
Mức độ nhạy cảm độ ẩm (MSL) |
3 (168 giờ) |
|
Vị trí thiết bị đầu cuối |
HAI |
|
Nhiệt độ phản xạ cao điểm (CEL) |
260 |
|
Cung cấp điện áp |
15V |
|
Số phần cơ sở |
AD8479 |
|
Loại đầu ra |
Đường sắt đến đường ray |
|
Cung cấp điện áp-phút (VSUP) |
2.5V |
|
HOẠT ĐỘNG CUNG CẤP HIỆN TẠI |
650 |
|
Đầu ra hiện tại |
10A |
|
Tốc độ xoay |
8V/Pha |
|
Tỷ lệ từ chối chế độ chung |
90 dB |
|
Điện áp - Cung cấp, đơn/kép (±) |
± 2,5V ~ 18V |
|
Điện áp bù đầu vào (VOS) |
500 PhaV |
|
Neg cung cấp điện áp-DOM (VSUP) |
-15V |
|
Đặt thời gian |
11 Laus |
|
Phạm vi nhiệt độ môi trường cao |
125 ° C. |
|
Chiều dài |
5 mm |
|
Đạt được SVHC |
Không có SVHC |
|
Trạng thái Rohs |
Rohs tuân thủ |

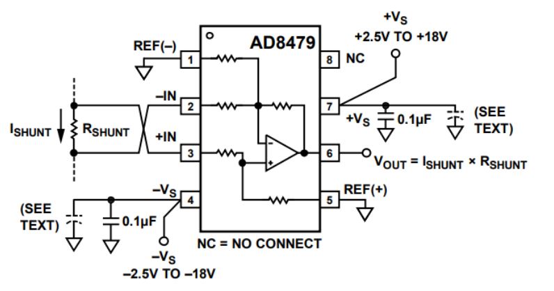
Hình dưới đây minh họa các kết nối cần thiết để vận hành AD8479 với nguồn điện kép.Trong cấu hình này, một điện áp cung cấp từ ± 2,5 V đến ± 18 V được áp dụng trên chân 7 (nguồn cung cấp dương) và chân 4 (cung cấp âm).Nên đặt các tụ điện 0,1 μF gần với các chân này để tách biệt hiệu quả của từng nguồn cung cấp.Nếu có bất kỳ nhiễu tần số thấp nào trên nguồn điện, thì thêm 10 μF điện phân, cũng được định vị gần các chân cung cấp, có thể là để ổn định hiệu suất.Mặc dù một bộ 10 tụ điện 10 có thể phục vụ nhiều bộ khuếch đại, nhưng mỗi bộ khuếch đại AD8479 phải có bộ riêng biệt 0,1 μF.Điều này đảm bảo rằng điểm phân tách được định vị trực tiếp tại các chân nguồn IC, tối ưu hóa sự ổn định và giảm thiểu nhiễu tiềm năng.

Tín hiệu đầu vào vi phân, thường được tạo ra bởi một dòng tải chảy qua một điện trở shunt nhỏ, được áp dụng cho chân 2 và chân 3 với độ phân cực được hiển thị trong hình trước để đạt được mức tăng dương.AD8479 có thể chứa điện áp chế độ chung trên đầu vào vi sai từ −600 V đến +600 V, với điện áp vi sai tối đa là ± 14,7 V. Khi được cấu hình như hình, thiết bị hoạt động như một mức tăng đơn giản, đơn giảnBộ khuếch đại vi sai đến kết thúc, trong đó điện áp đầu ra tỷ lệ thuận với sản phẩm của điện trở shunt và dòng shunt.Đầu ra này được tham chiếu liên quan đến chân 1 và chân 5. Đối với mức tăng thống nhất, chân 1 (ref−) và chân 5 (ref+) phải được kết nối với mặt phẳng mặt đất thấp, đảm bảo tham chiếu mặt đất ổn định và ngăn chặn sự xuống cấp chung-Mode từ chối.Chân 8 là một chân không kết nối và vẫn không được kết nối.
AD8479 là một bộ khuếch đại kết hợp với độ lệch, vi sai đến đơn được thiết kế để từ chối các tín hiệu chế độ chung cao lên tới 600 V với nguồn cung cấp ± 15 V.Nó kết hợp bộ khuếch đại hoạt động chính xác với mạng điện trở phù hợp, cho phép nó chuyển đổi chính xác các tín hiệu vi sai nhỏ thành đầu ra một đầu, ngay cả khi có sự hiện diện của điện áp chế độ chung lớn.Thiết kế này làm cho nó lý tưởng cho các ứng dụng như cảm biến hiện tại và thu nhận tín hiệu điện áp cao.

Để đạt được phạm vi điện áp chế độ chung cao, AD8479 sử dụng bộ chia điện trở trong, được kết nối với chân 3 và chân 5, làm giảm tín hiệu không đảo ngược bởi hệ số 60.Điện trở phản hồi, sau đó khôi phục mức tăng, mang lại sự khác biệt của sự thống nhất.Hàm truyền của thiết bị được đưa ra bởi: Vout = V (+in) - V (−in).
Laser wafer-cắt giảm đảm bảo kết hợp điện trở chính xác, cho phép loại bỏ mạnh các tín hiệu chế độ chung trong khi khuếch đại các đầu vào vi sai.Để giảm thiểu điện áp đầu ra trôi dạt, giai đoạn đầu vào của OP amp, bao gồm các bóng bán dẫn siêu beta, giảm thiểu độ lệch liên quan đến dòng điện và nhiệt độ, trong khi giữ nhiễu điện áp thấp do góc nhiễu 1/f dưới 5 Hz.Ngoài ra, mức tăng điện áp vòng mở OP AMP vượt quá 20 triệu v, với PSRR trên 90 dB, tăng độ chính xác và độ ổn định của mức tăng.
|
|
AD8479arz |
LR645LG-G |
HV9861ALG-G |
HV9910BLG-G |
AD8479BRZ |
|
Nhà sản xuất |
Thiết bị tương tự Inc. |
Công nghệ vi mạch |
Công nghệ vi mạch |
Công nghệ vi mạch |
Thiết bị tương tự Inc. |
|
Gói / trường hợp |
8-SOIC (0.154, chiều rộng 3,90mm) |
8-SOIC (0.154, chiều rộng 3,90mm) |
8-SOIC (0.154, chiều rộng 3,90mm) |
8-SOIC (0.154, chiều rộng 3,90mm) |
8-SOIC (0.154, chiều rộng 3,90mm) |
|
Số lượng ghim |
8 |
8 |
8 |
8 |
8 |
|
Đầu ra hiện tại |
10 a |
10 a |
- |
- |
- |
|
Điện áp đầu vào tối đa |
600 v |
600 v |
600 v |
450 v |
450 v |
|
Số lượng chấm dứt |
8 |
8 |
8 |
8 |
8 |
|
Gắn kết |
Núi bề mặt |
Núi bề mặt |
Núi bề mặt |
Núi bề mặt |
Núi bề mặt |
|
Đạt được SVHC |
Không có SVHC |
Không có SVHC |
Không có SVHC |
Không có SVHC |
Không có SVHC |
|
Nhiệt độ phản xạ cực đại (° C) |
260 |
260 |
260 |
260 |
260 |
Do độ chính xác và độ tin cậy của nó trong việc đánh giá các tín hiệu khác biệt, AD8479 đóng vai trò trong cảm biến dòng điện cao áp.Môi trường công nghiệp dựa vào độ chính xác này để giám sát mức tiêu thụ năng lượng, do đó, thúc đẩy cả hiệu quả hoạt động và an toàn.Ví dụ, trong các lưới điện, phát hiện các ion V ariat trong dòng chảy hiện tại là nền tảng trong việc đẩy quá tải trong khi đảm bảo cung cấp năng lượng không bị gián đoạn.Chúng tôi khai thác các khả năng này để duy trì hiệu suất cao nhất, được hưởng lợi từ các tính năng cô lập bảo vệ dữ liệu nhạy cảm trong các phần mạch khác nhau.
Trong công nghệ pin, giám sát cảnh giác của cả điện áp và hiện tại chứng tỏ hiệu quả duy trì và kéo dài tuổi thọ.AD8479 vượt trội bằng cách cung cấp các phép đo chính xác, hỗ trợ quản lý các hệ thống pin đa dạng.Những kịch bản này bao gồm xe điện, trong đó giám sát chính xác củng cố cả sự an toàn và hiệu quả của pin trong khi sử dụng hàng ngày.Thành phần này làm giảm rủi ro quá nhiệt, tăng cường tuổi thọ của các tế bào pin với sự can thiệp tối thiểu trong quá trình bảo trì thường xuyên, một yếu tố làm tăng đáng kể độ tin cậy của nó theo thời gian.
Những ưu điểm của AD8479 là rõ ràng trong các hệ thống điều khiển động cơ, trong đó độ chính xác của nó hỗ trợ hoạt động tiết kiệm năng lượng và tăng tuổi thọ của động cơ.Máy móc công nghiệp và tự động hóa đòi hỏi các cơ chế kiểm soát ổn định và đáp ứng để giảm hao mòn trong khi tăng chức năng.Chúng tôi thường xuyên kết hợp AD8479 với các bộ phận khác để thiết kế các hệ thống dễ dàng đạt được các mục tiêu này.Thông qua hiệu chuẩn tỉ mỉ, thành phần tích hợp trơn tru vào các hệ thống có sẵn, do đó cải thiện các giao thức an toàn và tăng cường hiệu quả hoạt động.
Nhiều hệ thống đòi hỏi sự cô lập tín hiệu mạnh mẽ để ngăn chặn tham nhũng dữ liệu và cho phép các hoạt động an toàn.AD8479 trở thành trong các bối cảnh này, đặc biệt là trong viễn thông trong đó duy trì tính toàn vẹn tín hiệu nhất quán là vô cùng quan trọng.Bằng cách cô lập các phần dễ bị nhiễu, thành phần đảm bảo giao tiếp hiệu quả liên tục với sự gián đoạn tối thiểu.Cách tiếp cận này thu hút các học viên, vì nó làm giảm sự phụ thuộc vào các cơ chế bảo vệ phức tạp, thay vào đó cung cấp một phương pháp đơn giản nhưng hiệu quả để đảm bảo độ trung thực của dữ liệu trên các mạng khác nhau.

Các thiết bị tương tự đã đi đầu trong kỹ thuật mạch tích hợp cách mạng (IC) từ năm 1965, cung cấp các giải pháp biến đổi trên toàn cảnh hệ thống điện tử.Các sản phẩm được thiết kế lão luyện của họ nổi tiếng để chuyển các phép đo thành tín hiệu điện tử chính xác cao, thể hiện một lịch sử không ngừng về độ tin cậy và chất lượng vượt trội.
Về CHúNG TôI
Sự hài lòng của khách hàng mọi lúc.Sự tin tưởng lẫn nhau và lợi ích chung.
Hướng dẫn toàn diện cho DS1302 RTC
2024-11-09
Hướng dẫn của bạn về Bộ thu phát RF NRF52833
2024-11-09
Được tổ chức vì khả năng đáng chú ý của nó để xử lý phạm vi điện áp chế độ chung đầu vào rộng, AD8479 được điều chỉnh cho độ chính xác.Nó vượt trội trong việc cung cấp các phép đo tín hiệu vi sai chính xác ngay cả khi phải đối mặt với các điện áp chế độ phổ biến đáng kể mở rộng tới ± 600 V. Sự thành thạo này mang lại giá trị đáng kể trong các hệ thống phức tạp trong đó độ chính xác cao có thể là bắt buộc.
AD8479 nổi lên như một sự thay thế khả thi cho các bộ khuếch đại cách ly đắt tiền khi không được phân lập điện.Quyết định này làm giảm đáng kể chi phí trong các kịch bản trong đó đo lường tín hiệu chính xác được ưu tiên mà không có sự phức tạp bổ sung liên quan đến sự cô lập.Lựa chọn thành phần này phản ánh sự cân bằng hợp lý giữa hiệu quả kinh tế và độ bền hiệu suất.
Được đóng gói trong gói SOIC 8-LEAD tiết kiệm không gian, AD8479 cho thấy hiệu suất đáng tin cậy trên phổ nhiệt độ rộng từ −40 ° C đến +125 ° C.Kỹ thuật này cung cấp khả năng thích ứng và khả năng phục hồi, làm cho nó trở thành một lựa chọn sắc sảo cho vô số điều kiện môi trường, cho dù trong các hoạt động nhiệt độ cao hơn hoặc cài đặt mát hơn.
IDT72V7230L10BBGE-mail: Info@ariat-tech.comĐiện thoại HK: 852-30501966THÊM VÀO: Rm 2703 27F Trung tâm cộng đồng Hồ Vua 2-16,
Fa Yuen St MongKok Cửu Long, Hồng Kông.