


Các AT28C256 là một EEPROM hiệu suất cao (bộ nhớ chỉ đọc có thể xóa bằng điện và có thể lập trình) với công suất 256 kb được tổ chức là 32.768 từ 8 bit.Được xây dựng với công nghệ CMOS không bay hơi tiên tiến, nó cung cấp thời gian truy cập nhanh lên tới 150 ns và tiêu thụ chỉ 440 MW công suất.Khi bị bỏ chọn, dòng điện dự phòng CMOS của thiết bị giảm xuống dưới 200.Được truy cập như RAM tĩnh, AT28C256 không yêu cầu các thành phần bên ngoài để đọc hoặc ghi chu kỳ.Nó bao gồm một thanh ghi trang 64 byte cho phép viết tối đa 64 byte cùng một lúc.
Trong một chu kỳ ghi, địa chỉ và dữ liệu (tối đa 64 byte) được chốt nội bộ, giải phóng địa chỉ và bus dữ liệu cho các tác vụ khác.Thiết bị tự động ghi dữ liệu chốt bằng bộ hẹn giờ điều khiển nội bộ và hoàn thành có thể được theo dõi thông qua bỏ phiếu dữ liệu trên I/O7.Các tính năng bổ sung bao gồm điều chỉnh lỗi nội bộ để tăng cường độ bền và lưu giữ dữ liệu, bảo vệ dữ liệu phần mềm tùy chọn chống lại các ghi ngẫu nhiên và thêm 64 byte EEPROM cho mục đích nhận dạng hoặc theo dõi thiết bị.
Với thời gian truy cập đọc chỉ 150 nano giây, AT28C256 đảm bảo truy xuất dữ liệu nhanh, điều này chứng minh cho các hệ thống có nhu cầu xử lý thời gian thực.Thuộc tính này thúc đẩy hiệu suất vượt trội trong môi trường kỹ thuật số, ảnh hưởng đến hiệu quả hệ thống bằng cách cung cấp quyền truy cập nhanh chóng vào thông tin được lưu trữ.
Được tổ chức là 32.768 x 8, EEPROM chứa các chốt bên trong chứa tới 64 byte mỗi trang và sử dụng bộ đếm thời gian điều khiển để quản lý quy trình viết.Tính năng ghi trang tự động này đơn giản hóa các nỗ lực đầu vào dữ liệu trong các môi trường nhạy cảm với thời gian như các hệ thống nhúng, duy trì đồng bộ hóa và hỗ trợ tính toàn vẹn của dữ liệu trong suốt các hoạt động.
Cung cấp chu kỳ ghi nhanh 3 ms và tối đa 10 ms cho trang ghi, AT28C256 có sức chứa từ 1 đến 64 byte cho mỗi hoạt động, cung cấp tính linh hoạt trong việc xử lý dữ liệu.Các hoạt động viết nhanh này làm giảm thời gian ngừng hoạt động của hệ thống và tăng cường thông lượng dữ liệu, tác động đến thời gian phản hồi có lợi trong các ứng dụng sử dụng nhiều dữ liệu.
Thiết bị hiển thị mức tiêu thụ năng lượng hiệu quả với dòng điện hoạt động là 50 mA và dòng chờ CMOS thấp tới 300.Điều này làm cho nó trở thành một lựa chọn phù hợp cho các thiết kế có ý thức về năng lượng, trong các thiết bị vận hành bằng pin, đảm bảo hiệu suất tối ưu mà không cần sử dụng năng lượng quá mức.
Được trang bị các chiến lược bảo vệ dữ liệu tinh vi, AT28C256 tận dụng cả phòng thủ phần cứng và phần mềm, bao gồm bỏ phiếu dữ liệu để xác minh hoàn thành chu kỳ ghi.Đảm bảo tính toàn vẹn dữ liệu dài hạn được yêu cầu trong các lĩnh vực như hệ thống dữ liệu tài chính và dữ liệu cá nhân, cung cấp sự đảm bảo lưu giữ dữ liệu và ổn định trong các trường hợp đầy thách thức.
Sử dụng công nghệ CMOS, AT28C256 mang lại độ bền lên tới 100.000 chu kỳ ghi và một thập kỷ lưu giữ dữ liệu trong các điều kiện tiêu chuẩn.Khả năng phục hồi như vậy phù hợp với nó để sử dụng lâu dài trong các lĩnh vực đòi hỏi trí nhớ đáng tin cậy, chẳng hạn như các ứng dụng y tế hoặc công nghiệp, kiếm được sự tôn trọng rộng rãi cho tuổi thọ và độ tin cậy mạnh mẽ của nó.
Yêu cầu một nguồn cung cấp 5V ± 10% duy nhất, thiết bị đảm bảo khả năng tương thích liền mạch với các giao diện CMOS/TTL và tuân thủ cấu hình PIN toàn bộ byte Byte.Điều này điều chỉnh trơn tru vào các thiết lập phần cứng đa dạng, cho dù đối với các hệ thống kế thừa hiện có hoặc các thiết kế mới sáng tạo, hỗ trợ sự tiến bộ liên tục trên nhiều lĩnh vực công nghệ.
Các AT28C256-15JU, được chế tạo bởi công nghệ vi mạch, tự phân biệt với độ tin cậy và hiệu quả đáng chú ý giữa các ứng dụng khác nhau.Bảng dưới đây là các thông số kỹ thuật, thuộc tính và tham số của công nghệ vi mạch AT28C256-15JU.
|
Kiểu |
Tham số |
|
Thời gian dẫn đầu của nhà máy |
7 tuần |
|
Gắn kết |
Núi bề mặt |
|
Gói / trường hợp |
32-LCC (J-Lead) |
|
Loại bộ nhớ |
Không bay hơi |
|
Bao bì |
Ống |
|
Mã JESD-609 |
E3 |
|
Trạng thái một phần |
Tích cực |
|
Số lượng chấm dứt |
32 |
|
Vị trí thiết bị đầu cuối |
Quad |
|
Số lượng chức năng |
1 |
|
Terminal Pitch |
1.27mm |
|
Thời gian@Đỉnh phản xạ nhiệt độ-Max (S) |
40 |
|
Điện áp cung cấp vận hành |
5V |
|
Giao diện |
Song song, Spi |
|
Cung cấp danh nghĩa hiện tại |
50mA |
|
Định dạng bộ nhớ |
EEPROM |
|
Viết thời gian chu kỳ - từ, trang |
10ms |
|
Chế độ chờ hiện tại-max |
0,0002A |
|
Sức chịu đựng |
10000 chu kỳ viết/xóa |
|
Thời gian lưu dữ liệu |
10 |
|
Bỏ phiếu dữ liệu |
ĐÚNG |
|
Kích thước trang |
64words |
|
Chiều dài |
14.1mm |
|
Đạt được SVHC |
Không có SVHC |
|
Trạng thái Rohs |
Rohs3 tuân thủ |
|
Liên hệ mạ |
Thiếc |
|
Loại gắn kết |
Núi bề mặt |
|
Số lượng ghim |
32 |
|
Nhiệt độ hoạt động |
-40 ° C ~ 85 ° C TC |
|
Xuất bản |
1997 |
|
Mã PBFREE |
Đúng |
|
Mức độ nhạy cảm độ ẩm (MSL) |
2 (1 năm) |
|
Điện áp - Cung cấp |
4,5V ~ 5,5V |
|
Nhiệt độ phản xạ cao điểm (CEL) |
245 |
|
Cung cấp điện áp |
5V |
|
Tính thường xuyên |
5MHz |
|
Số phần cơ sở |
AT28C256 |
|
Nguồn cung cấp điện |
5V |
|
Kích thước bộ nhớ |
256kb 32k x 8 |
|
Thời gian truy cập |
150ns |
|
Giao diện bộ nhớ |
Song song |
|
Tỉ trọng |
256 kb |
|
Điện áp lập trình |
5V |
|
Viết thời gian chu kỳ-Max (TWC) |
10ms |
|
Viết bảo vệ |
Phần cứng/phần mềm |
|
Chuyển đổi bit |
ĐÚNG |
|
Chiều cao |
2,79mm |
|
Chiều rộng |
11,5mm |
|
Bức xạ cứng |
KHÔNG |
|
Dẫn đầu miễn phí |
Dẫn đầu miễn phí |

|
Số mô hình |
Nhà sản xuất |
Sự miêu tả |
|
5962-8852508ux |
Công nghệ E2V |
Eeprom, 32kx8, 150ns, song song, CMO,
CPGA28, PGA-28 |
|
28C256TRT4DE-15 |
Maxwell Technologies |
Eeprom, 32kx8, 150ns, song song, CMO,
DIP-28 |
|
X28C256J-15 |
Xicor inc |
Eeprom, 32kx8, 150ns, song song, CMO,
PQCC32, nhựa, LCC-32 |
|
28C256TRT2DE-15 |
Maxwell Technologies |
Eeprom, 32kx8, 150ns, song song, CMO,
DIP-28 |
|
X28c256d-15 |
Xicor inc |
Eeprom, 32kx8, 150ns, song song, CMO,
CDIP28, Hermetic Sealed, CERDIP-28 |
|
5962-8852514ux |
Microchip Technology Inc. |
Eeprom, 32kx8, 150ns, song song, CMO,
CPGA28 |
|
AT28C256-15UC |
Tập đoàn Atmel |
Eeprom, 32kx8, 150ns, song song, CMO,
CPGA28, gốm, PGA-28 |
|
X28c256pmb-15 |
Xicor inc |
Eeprom, 32kx8, 150ns, song song, CMOS, PDIP28,
Nhựa, nhúng-28 |
|
FT28C256-15UJ |
Công ty TNHH Công nghệ |
Eeprom, 32kx8, 150ns, song song, CMO,
PQCC32, màu xanh lá cây, nhựa, MS-016AE, LCC-32 |
|
X28C256J-15C7000 |
Xicor inc |
Eeprom, 32kx8, 150ns, song song, CMO,
PQCC32 |
|
|
AT28C256-15JU |
AT28C256F-15JU |
AT28HC256-12JU |
AT28C256E-15JU |
|
Nhà sản xuất |
Công nghệ vi mạch |
Công nghệ vi mạch |
Công nghệ vi mạch |
Công nghệ vi mạch |
|
Gói / trường hợp |
32-LCC (J-Lead) |
32-LCC (J-Lead) |
32-LCC (J-Lead) |
32-LCC (J-Lead) |
|
Số lượng ghim |
32 |
32 |
32 |
32 |
|
Tỉ trọng |
256 kb |
256 kb |
256 kb |
256 kb |
|
Thời gian truy cập |
150ns |
150ns |
120ns |
150ns |
|
Tính thường xuyên |
5 MHz |
5 MHz |
5 MHz |
5 MHz |
|
Giao diện |
Song song, Spi |
- |
- |
Song song, Spi |
|
Cung cấp điện áp |
5 v |
5 v |
5 v |
5 v |
|
Công nghệ |
CMO |
CMO |
CMO |
CMO |


Ẩn mình trong thành phố sôi động của Chandler, Arizona, Microchip Technology Inc. đã khắc một vị trí thích hợp cho chính nó như một người đi đầu trong các công nghệ bán dẫn của vi điều khiển và chất tương tự.Danh mục đầu tư rộng lớn của họ hỗ trợ phát triển sản phẩm đột phá, hiệu quả chi phí tỉ mỉ và triển khai thị trường Swift cho một cơ sở khách hàng quốc tế rộng lớn và đa dạng.Những thành tựu này được củng cố bởi các phương pháp hướng dẫn kỹ thuật và phân phối không ngừng được điều chỉnh tinh xảo để đáp ứng các yêu cầu khác nhau của khách hàng.Sự hợp tác với vi mạch thường dẫn đến sự pha trộn của kiến thức kỹ thuật và thực hiện xúc tác một lập trường cạnh tranh được cải thiện.
Về CHúNG TôI
Sự hài lòng của khách hàng mọi lúc.Sự tin tưởng lẫn nhau và lợi ích chung.
Hiểu IR2153: Nhìn sâu vào các tính năng, thiết kế mạch và các ứng dụng công nghiệp
2024-11-11
Hướng dẫn toàn diện cho DS1302 RTC
2024-11-09
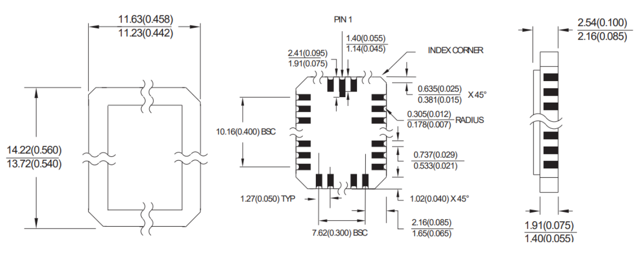
AT28C256-15JU có 32 chân.
Phạm vi nhiệt độ hoạt động là -40 ° C đến 85 ° C (TC).
AT28C256 hoạt động tương tự như RAM tĩnh cho cả chu kỳ đọc và ghi.
AT28C256 là EEPROM hiệu suất cao với bộ nhớ 256 kb, được tổ chức là 32.768 từ 8 bit.
IDT72V7230L10BBGE-mail: Info@ariat-tech.comĐiện thoại HK: 852-30501966THÊM VÀO: Rm 2703 27F Trung tâm cộng đồng Hồ Vua 2-16,
Fa Yuen St MongKok Cửu Long, Hồng Kông.